港彩二四六天天好资料,香港免费资料大全用法,跑狗图(新版)今天,7777788888新跑马,港彩正版资料

欢迎访问启东春立机械设备有限公司官网!
邮箱地址:cl@qdclgs.com

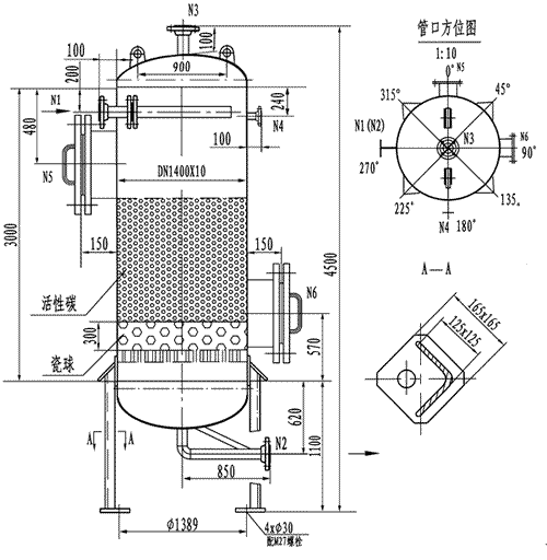
活性碳过滤器

产品特性
  活性碳过滤器内装8-10目颗粒状活性碳,一般石化行业中用于双脱装置,水处理车间等。活性碳有煤质碳、果壳碳或椰壳碳。它主要去除流体中的有机物,胶体化合物和硫化物,余氯等杂质,属于吸附过滤方式。
活性碳吸附饱和后无法通过反冲洗再生,必须及时更换,我公司在石油、化工、水处理等行业均有比较成熟的实例。各种技术参数不尽相同,请将处理量、工作压力、粘度、密度、温度等参数、传真或致电。
本公司将为你提供最合适的设备形式。
望来电询问
其主要典型结构如下
 
主站蜘蛛池模板: 新澳门三肖三码精准资料的优势| 2024年香港最快报码室| 成都旅游游玩攻略| 澳门王中王开奖结果一下子| 香港港六 彩开奖号码| 澳门六玄正版资料免费公开| 2024年澳门今晚天天彩开奖| 超级战舰高清国语免费| 2o24澳门开奖结果| 2024澳门历史开奖记录图库| 香港6合开奖结果+开奖记录2023| 今日精准预测汇总| 体育类的普刊有哪些| 香港宝典开奖结果记录| 孤掷一注免费观看高清缅北| 澳门新版开奖结果记录历史| 索多玛120天| 二四六无天308好彩| 澳门最准的资料有吗六台| 管家婆一肖一码100中奖网站| 2023澳门全年资料免费公开| 澳门一肖一码准确资料| 国语在线看免费观看剧| 韩国不可饶恕电影| 180° 以南| 香港今晚六给彩开奖结果八十九期2024| 橄榄树下的情人| 跪求好玩的网络游戏| 天堂影院免费观看电影电视剧| 2024新澳天天彩开奖结果| 澳门王中王精准预测| 米尼的第一次讲的什么| 4949澳门最新开奖结果| 2024年澳门最佳生肖| 新澳彩资料免费公开| 2023澳门开奖直播+开奖| 哈尔滨1944电视剧免费观看| 不用网络能玩的游戏.| 黄飞鸿对黄飞鸿| 澳门99860网址| 爱源成人用品专营店|