港彩二四六天天好资料,香港免费资料大全用法,跑狗图(新版)今天,7777788888新跑马,港彩正版资料

欢迎访问启东春立机械设备有限公司官网!
邮箱地址:cl@qdclgs.com
 
SJ乏气分油器
产品特性

乏气分油器能有效地除掉乏气中夹带的润滑油滴,对保护环境和整个装置正常运行都具有十分重要的意义。我公司生产的SJ型乏气分油器主要技术参数如下:

操作介质:水蒸汽:设计压力:0.3Mpa;设计温度:180℃。

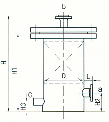
产品规格

型 号
蒸汽入口a
蒸汽出口b
油出口c
公称直径DN
(mm)
公称压力PN
(MPa)
公称直径DN
(mm)
公称压力PN
(MPa)
公称直径DN
(mm)
公称压力PN
(MPa)
SJ-80
80
1.6
80
1.6
Rc3/4
1.6
SJ-100
100
100
SJ-150
150
150
SJ-200
200
200
Rc1

型号
L
D
H
H1
H2
H3
SJ-80
150
219
668
500
150
45
SJ-100
150
219
668
500
150
45
SJ-150
200
377
870
650
230
55
SJ-200
200
529
976
750
300
55



订货说明

1、本系列设备已按蒸汽管尺寸考虑了相应的分油面积,用户直接根据蒸汽管径选用。

2、本系列设备接管法兰按HG20592—97标准,也可提供GB、SH、JB、ANSI、JIS等标准管法兰,但订货时,用户必须注明。

3、本系列设备材质为碳钢,用户如选用不锈钢等材料,订货时应注明。

主站蜘蛛池模板: 2023年澳门码最新开奖记录图| 2023澳门资料大全正版资料免经典资料| 2023新澳最精准资料| 今天新澳门开奖结果直播| 4949澳门开奖现场+开奖直播下载| 黎明前的抉择电视剧全集在线观看| 2024年新澳开奖结果查询:| 2014澳门开奖结果记录查询表最新 | 免费电影大全| 星空影院免费观看在线高清下载| 澳门金钥匙最新开奖结果| 不需要网络的赚钱游戏| 新澳门六开奖资料| 致命弯道8在线观看高清完整| 494949cc澳门资料大全2023年| 澳门三肖六码免费资料期期看| 尺度超大的电影韩国| 澳门王中王免费正版资料| 澳门精准一肖中的| 背马鞍的男孩演员现实生活| 澳门马会精准资料免费网站| 澳门开奖现场直播1688| 追剧网站免费追剧软件| 新澳门今晚开奖结果号码查询表| 舞出我人生4观后感500字 | 一肖一码100%精准澳门| 澳门6合开彩开奖结果今天查询 | 2024澳门今日开奖| 香港6合开奖结果+开奖结果2024年开奖结果 | 新澳开奖记录49图库| 香港神童网开奖结果| 澳门六开奖结果2024开奖记录查询一月15号| 澳门今晚开奖大全资料2022年| 红财神澳门资料精准版 | 美国恐怖故事第一季无删减高清| 逃离地下天堂| 澳门最真最精准免费资料| kj77澳门开奖| 奥冂天下彩49SCC| 澳门一码中精准一码投入公益| 二肖10元赔多少|