港彩二四六天天好资料,香港免费资料大全用法,跑狗图(新版)今天,7777788888新跑马,港彩正版资料

欢迎访问启东春立机械设备有限公司官网!
邮箱地址:cl@qdclgs.com
MAPB、1PGB型系列煤气冷凝水排水器(干式)
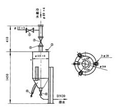
(一)MAPB-Ⅰ型干式排水器
1、本排水器适用于煤气加压机后高压焦炉煤气管道压力≤0.1MPa.
2、当人工排水时,①-④阀全部关闭,带防毒面具或背风向,打开阀⑤见水基本排尽立即关闭阀⑤,同时打开阀①、阀③。
3、当与管道一起正常投运时,仅开阀①和阀③,其余阀皆关闭。
4、当检修或吹扫时,关闭阀①阀②-⑤,从②阀接蒸汽或氮气置换。
5、煤气冷凝水接管法兰为JB81-59 PN1.0 DN50
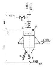
(二)MAPB-Ⅱ型干式排水器
1、本排水器适用于计算机压力0.9MPa脱硫脱奈高压焦炉煤气管道。
2、当人工排水时,①-③阀全部关闭,带防毒面具或背风向,打开阀④见水基本排尽,立即关闭阀④,同时打开阀①、阀③。
3、当干式排水器与管道一起正常投运时,仅开阀①和阀③,其余阀皆关闭。
4、当检修或吹扫时,关闭阀①或在阀后堵盲板,从阀②接蒸汽或氮气吹除。
5、本排水器接管法兰为JB81-59、PN1.6 DN50。
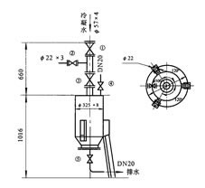
(三)1PGXB型干式悬挂式排水器
1、本排水器适用于南方地区,管径较小,排水量较少的煤气管道上,管道压力≤0.9MPa。若在寒冷地区,排水器应采取保温措施,悬挂高度不超过1m。
2、冷凝水排放操作步骤:
a、缓慢打开阀门①,如有冷凝水排出,则迅速关闭阀门①。
b、关闭阀门②。
c、打开底阀门④,(如底部阀门堵塞,则打开侧面阀门④),把水放到专用的筒内(冷凝水不必放尽)。
d、冷凝水排完后,严密关闭阀门④,再完全打开阀门②。
3、当排水器检测时,应先闭阀门②,打开管堵③,插上盲板⑤,放掉冷凝水,即可检修。
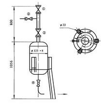
(四)1PGXB型干式落地式排水器
本设备除安装方式与1PGXB型不同外,其余使用方式与1PGXB型相同。
 
主站蜘蛛池模板: 澳门手机图库资料| 美国精神病人解析| 快乐八开奖结果 开奖号码今天 | 4949澳门开奖结果最快| 澳门天天彩期期精准,澳门天| 246天天天彩天好彩资料大全118| 澳门正版626969开奖现场 | 2023春节档电影排行榜| 2023年天天彩澳门天天彩| 东方不败风云再起| 一码资料准确率100| 白小姐急旋风一特马救世报| 2024年新澳门正版资料免费大全| m6cc澳门天天彩| 体育生可以报考| 不用vip没有广告的追剧神器| 2023澳门码免费精准资料大全| 最准澳门一肖一码期期准 | 新奥精准稳料| 2022年澳门资料免费大全49码| 香港一点红网站开奖结果| 新澳门内部精准资料免费公开2023年11月| 刘伯温免费精准八肖八码| 澳门好彩堂app下载安装| 第二十条电影高清完整版| 体育方面的刊物| 知名歌手演唱会现场触电身亡| 免费播放电视剧大全| 正版管家婆资料大全下载| 澳门天天彩资料免费正版资料大全玄机 | 2024澳门王中王资料大全 | 新澳门正版资料大全资料x| 101影视网剧情篇大全| 澳门精准四不像金牛版2022| 六叔公澳门正版资料免费公开 | 澳门资料生肖图片2024年最新| 黄大仙资料大全的准确性| 新澳门一肖一码100%精准资料| 狂飙在线观看免费全集高清完整版| 澳门天天彩今晚开的多少号| 今晚澳门准确号码资科了|