港彩二四六天天好资料,香港免费资料大全用法,跑狗图(新版)今天,7777788888新跑马,港彩正版资料

欢迎访问启东春立机械设备有限公司官网!
邮箱地址:cl@qdclgs.com
 
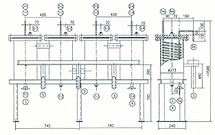
SCXQ取样冷却器

  取样冷却器适用于温度较高的液体和气体等介质取样,具有结构紧凑、传热效率高、清洗方便、使用寿命长等优点,广泛用于石油、化工、轻工、电力等部门的、加热、换热,冷却器也可做为油泵的自封冷却器。

  


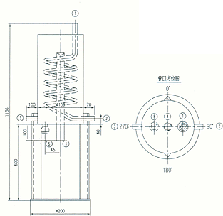
1、单一相取样冷却器SCXQ—IA

单-相取样冷却器主要性能表
管道
设计压力
3.92MPa
壳程
设计压力
常压
设计温度
350℃
设计温度
60℃
操作介质
/
操作介质
换热面积:0.084m2
单-相取样冷却器管口说明表
规格型号
(施工图图号)
操作介质
盘管材质
设备开口DN
1
2
3
4
5
SCXQ-1A-1(S5-10-1)
油 品
20
15
15
20
25
G1/2
SCXQ-1A-2(S5-10-2)
含硫油品
1Cr18Ni9Ti
15
15
20
25
G1/2
SCXQ-1A-3(S5-10-3)
油 气
20
15
8(外)
20
25
G1/2
SCXQ-1A-4(S5-10-4)
含硫油气、氢气
1Cr18Ni9Ti
15
8(外)
20
25
G1/2


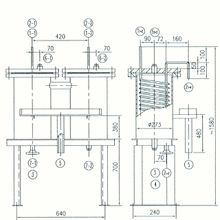
2、双联取样冷却器SCXQ-IB

双联取样冷却器主要性能表
管道
设计压力
0.58MPa
壳程
设计压力
0.58MPa
设计温度
172℃
设计温度
60℃
操作介质
汽、水
操作介质
换热面积:1.04m2
双联相取冷却器管口说明表
编号
名称
数量
公称直径DN
公称压力PN
备注
1
水蒸汽入口
2
10
/
2
水蒸汽出口
2
10
/
3
冷却水入口
1
40
2.0
4
冷却水出口
1
40
2.0
5
排水口
1
50
/
6
上排空口
2
G1/2
/
带管塞
7
下排空口
2
G1/2
/
带管塞


3、四联取样冷却器SCXQ-IC
四联取样冷却器主要性能表

管道
设计压力
4.62MPa
壳程
设计压力
0.58MPa
设计温度
275℃
设计温度
60℃
操作介质
汽、水
操作介质
换热面积:2.08m2


编号
名称
数量
公称直径DN
公称压力PN
备注
1
水蒸汽入口
4
10
/
2
水蒸汽入口
4
10
/
3
冷却水入口
1
40
2.0
4
冷却水出口
1
40
2.0
5
排水口
1
50
/
6
上排空口
2
G1/2
/
带管塞
7
下排空口
2
G1/2
/
带管塞

  返回
   
   
主站蜘蛛池模板: 2024年澳门码开奖记录| 成人用品的厂商| 正版308kcm文字资料澳门| 爱情片电影排行榜前十名| 今日3d 开奖号快乐八| 澳门2021全年免费资料| 澳门大三巴人多吗| 免费观看电视电影大全在线观看| 庆余年第二季免费播放在线观看全集高清 | 香港一肖一码期期准精选一背 | 2023澳门免费资料王中王| GOTH断掌事件| 新澳门天天开结果| 马会开将结果| 2023电影排行榜最新| 新澳门内部资料精准2024| 澳门精准资料大全全集下载| 澳门正版免费资料大全集| 大师兄影视APP最新| 新澳天天开奖资料大全最新54期开奖结果查询| 夫妻那点事高清免费观看| 电视剧听你喜欢我免费观看| 今晚澳门开什么码看一下| 长津湖之水门桥电影在线观看高清| 澳门彩六玄网论坛| 菊次郎的夏天音乐| 澳门六开奖结果资料查询2024| 香港开奖日期| 2024年双色球开奖结果 | 新奥六开彩开奖结果查询合肥| 不要会员无广告的追剧软件| 两个人免费高清视频在线第一集| 澳门最新今日开奖号码| 一码一肖100%准一肖一码| 体育cn期刊| 118澳门开奖网站| 翻滚吧阿信原声高清免费| 黎明之前电视剧在线看| 韩国r级电影下女| 香港6合图库管家婆资料查看| 澳门正版资料大全最新版本下载|